By Optimizing the diode Ta/Tb (Turn-on time/Turn-off time) soft recovery characteristics,it has greatly reduce the occurrence of harmonic oscillations to reduce or reduce the use of EMI suppression devices or specifications around the bridge, such as X capacitor, common mode inductor, differential mode inductor, etc.
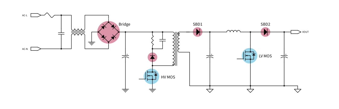
With the increasing popularity of ultra-thin TVs, the demand for ultra-thin TV power supplies continues to increase. Meanwhile, the LED backlight replaces LCD backlight, and the power required for TV power supply is getting smaller and smaller. So we can choose a Flyback architecture power supply to meet the needs of ultra-thin TVs.
Product Selection list
|
Power |
Bridge BD1 |
Secondary Rectifier Diode |
Boost Diode |
|
|
WRGBU410 |
MBR20200CT |
SS2150 |
|
GBU410 |
TSR20L200CT |
-- |
|
|
GBP406L |
-- |
-- |


Authorized Dealer









