By Optimizing the diode Ta/Tb (Turn-on time/Turn-off time) soft recovery characteristics,it has greatly reduce the occurrence of harmonic oscillations to reduce or reduce the use of EMI suppression devices or specifications around the bridge, such as X capacitor, common mode inductor, differential mode inductor, etc.
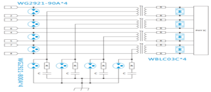
RJ45-1G RJ45-PoE
|
Product Name |
Package |
Uni-Polar /Bi-Polar |
VR_Typ(V) |
IR_Max(μA) |
@VR(V) |
VBR_Min(V) |
VBR_Max(V) |
@IT(mA) |
PPP_Max (10/1000μs(W) |
VC_Max(10/1000μs(V) |
@IPP(10/1000μs(A) |
Download |
|
SMAJ58AS |
SMA |
Uni-Polar |
58 |
1 |
58 |
64.4 |
71.2 |
1 |
400 |
93.6 |
4.3 |
|
|
SMAJ6.0A |
SMA |
Uni-Polar |
6 |
120 |
6 |
6.67 |
7.37 |
10 |
400 |
10.3 |
38.8 |
|
|
SMBJ15CA |
SMB |
Bi-Polar |
15 |
1 |
15 |
16.7 |
18.5 |
1 |
600 |
24.4 |
24.6 |
|
|
SMBJ3.3A |
SMB |
Uni-Polar |
3.3 |
100 |
3.3 |
4.1 |
|
1 |
600 |
7.3 |
82.5 |
|
|
SMCJ12A |
SMC |
Uni-Polar |
12 |
1 |
12 |
13.3 |
14.7 |
1 |
1500 |
19.9 |
75.4 |
|
|
SMDJ15CA |
SMC |
Bi-Polar |
15 |
1 |
15 |
16.7 |
18.5 |
1 |
3000 |
24.4 |
123 |
|
|
SMF12CA |
SOD-123FL |
Bi-Polar |
12 |
1 |
12 |
13.3 |
14.7 |
1 |
200 |
19.9 |
10.1 |
|
|
1.5KE100CA |
DO-27 |
Bi-Polar |
85.5 |
1 |
85.5 |
95 |
105 |
1 |
1500 |
137 |
11.1 |
|
|
1.5SMC400CA |
SMC |
Bi-Polar |
342 |
1 |
342 |
380 |
420 |
1 |
1500 |
548 |
2.8 |
|
|
10BJ150CA |
SMB |
Bi-Polar |
150 |
1 |
150 |
167 |
185 |
1 |
1000 |
243 |
4.2 |
|
|
3.0SMC7.5CA |
SMC |
Bi-Polar |
6.4 |
500 |
6.4 |
7.13 |
7.88 |
10 |
3000 |
11.3 |
265.5 |


Authorized Dealer













