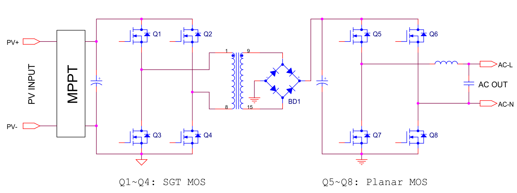
By Optimizing the diode Ta/Tb (Turn-on time/Turn-off time) soft recovery characteristics,it has greatly reduce the occurrence of harmonic oscillations to reduce or reduce the use of EMI suppression devices or specifications around the bridge, such as X capacitor, common mode inductor, differential mode inductor, etc.
World SGT MOS has extremely low RDs (on), low Qg and Ciss, and fast switching speed, which can meet the requirements of product temperature rise and efficiency.
|
TYPE |
Package |
Channel |
VDSS (V) |
VGS (V) |
ID (A) |
VGS(th) (V) |
VGS(th) (V) |
RDS(on)@ VGS=10V(mΩ) |
RDS(on)@ VGS=10V(mΩ) |
RDS(on)@ VGS=4.5V(mΩ) |
RDS(on)@ VGS=4.5V(mΩ) |
Download |
|
MTR12RN02S3L |
SOT23-3L |
N |
20 |
±12 |
8 |
0.4 |
1.2 |
/ |
/ |
12 |
15 |
|
|
MTR4R4N03D33 |
PDFN3*3 |
N |
30 |
±20 |
70 |
1 |
2.2 |
3.4 |
4.4 |
4.6 |
6.5 |
|
|
MTR2R5N03D |
TO-252 |
N |
30 |
±20 |
150 |
1 |
2.5 |
2 |
2.5 |
3 |
3.8 |
|
|
MTR1R4N03SD |
PDFN5*6 |
N |
30 |
±20 |
178 |
1.2 |
2.5 |
1.1 |
1.4 |
2.1 |
2.8 |
|
|
MTR3R6N03SDL |
PDFN5*6-Clip |
N |
30 |
±20 |
86 |
1 |
2.2 |
2.6 |
3.6 |
4 |
5.5 |
|
|
MTR005N04D33 |
PDFN3*3 |
N |
40 |
±20 |
60 |
1.5 |
2.5 |
3.5 |
5 |
6.2 |
7.5 |
|
|
MTR7R4N04D33 |
PDFN3*3 |
N |
40 |
±20 |
47 |
1 |
2.5 |
4.7 |
7.4 |
7.4 |
9.6 |
|
|
MTR1R3N04SD |
PDFN5*6 |
N |
40 |
±20 |
130 |
1.2 |
2.5 |
1.1 |
1.3 |
/ |
/ |
|
|
MTR1R2N04TL |
TOLL |
N |
40 |
±20 |
250 |
1.1 |
2.4 |
0.9 |
1.2 |
/ |
/ |
|
|
MTR1R2N04CTG |
TO-263-7 |
N |
40 |
±20 |
250 |
1.1 |
2.4 |
0.9 |
1.2 |
/ |
/ |
|
|
MTR7R5N06P8 |
SOP-8 |
N |
60 |
±20 |
18 |
1 |
2.5 |
6.5 |
7.5 |
10 |
12 |
|
|
MTR015N06P8 |
SOP-8 |
N |
60 |
±20 |
15 |
1 |
2.5 |
12 |
15 |
16.5 |
22 |
|
|
MTR16R5N06P8 |
SOP-8 |
N |
60 |
±20 |
15 |
1 |
2.5 |
15 |
16.5 |
/ |
/ |
|
|
MTR5R8N06D |
TO-252 |
N |
60 |
±20 |
90 |
1.2 |
2.5 |
4.6 |
5.8 |
6 |
7.5 |
|
|
MTR7R5N06D |
TO-252 |
N |
60 |
±20 |
55 |
1.3 |
2.5 |
6.5 |
7.5 |
10 |
12 |
|
|
MTR015N06D |
TO-252 |
N |
60 |
±20 |
45 |
1 |
2.5 |
11.5 |
15 |
16.2 |
22 |
|
|
MTR1R3N06SD |
PDFN5*6 |
N |
60 |
±20 |
280 |
1 |
2.2 |
0.9 |
1.3 |
/ |
/ |
|
|
MTR2R8N06SD |
PDFN5*6 |
N |
60 |
±20 |
95 |
1.2 |
2.5 |
2.3 |
2.8 |
/ |
/ |
|
|
MTR003N06SD |
PDFN5*6 |
N |
60 |
±20 |
125 |
1.2 |
2.5 |
2.3 |
3 |
3 |
4 |
|
|
MTR5R0N06SD |
PDFN5*6 |
N |
60 |
±20 |
75 |
1 |
2.5 |
4.4 |
5.5 |
6.5 |
8.3 |
|
|
MTR5R8N06SD |
PDFN5*6 |
N |
60 |
±20 |
90 |
1.2 |
2.5 |
4.6 |
5.8 |
6 |
7.5 |
|
|
MTR7R5N06SD |
PDFN5*6 |
N |
60 |
±20 |
55 |
1.3 |
2.5 |
6.5 |
7.5 |
10 |
12 |
|
|
MTR10R2N06SD |
PDFN5*6 |
N |
60 |
±20 |
32 |
1 |
2.5 |
9 |
10.2 |
12.8 |
16 |
|
|
MTR3R8N06CT |
TO-220CB |
N |
60 |
±20 |
195 |
1 |
2.5 |
3.1 |
3.8 |
3.9 |
5 |
|
|
MTR6R8N06CT |
TO-220CB |
N |
60 |
±20 |
72 |
2.5 |
3.5 |
5.4 |
6.8 |
/ |
/ |
|
|
MTR7R5N06CT |
TO-220AB |
N |
60 |
±20 |
80 |
1 |
2.5 |
6.5 |
7.5 |
9.2 |
11 |
|
|
MTR4R6N08SD |
PDFN5*6 |
N |
80 |
±20 |
100 |
2 |
4 |
3.8 |
4.6 |
/ |
/ |
|
|
MTR5R5N08SD |
PDFN5*6 |
N |
80 |
±20 |
80 |
1.1 |
2.5 |
4.4 |
5.5 |
/ |
/ |
|
|
MTR6R7N08SD |
PDFN5*6 |
N |
80 |
±20 |
80 |
2 |
4 |
5.3 |
6.7 |
/ |
/ |
|
|
MTR2R2N08CT |
TO-220CB |
N |
80 |
±20 |
160 |
2 |
4 |
1.6 |
2.2 |
/ |
/ |
|
|
MTR3R5N08CT |
TO-220CB |
N |
80 |
±20 |
160 |
2 |
4 |
2.5 |
3.5 |
/ |
/ |
|
|
MTR4R1N08CT |
TO-220CB |
N |
80 |
±20 |
120 |
2 |
4 |
3.1 |
4.1 |
/ |
/ |
|
|
MTR4R9N08CT |
TO-220CB |
N |
80 |
±20 |
120 |
2 |
4 |
3.9 |
4.9 |
/ |
/ |
|
|
MTR6R5N08CT |
TO-220CB |
N |
80 |
±20 |
115 |
2.3 |
3.7 |
5.4 |
6.5 |
/ |
/ |
|
|
MTR3R4N08CTB |
TO-263 |
N |
80 |
±20 |
180 |
2 |
4 |
2.9 |
3.4 |
/ |
/ |
|
|
MTR4R6N08CTB |
TO-263 |
N |
80 |
±20 |
120 |
2 |
4 |
3.7 |
4.6 |
/ |
/ |
|
|
MTR1R6N08TL |
TOLL |
N |
80 |
±20 |
360 |
2 |
4 |
1.27 |
1.6 |
/ |
/ |
|
|
MTR002N08TL |
TOLL |
N |
80 |
±20 |
240 |
2 |
4 |
1.4 |
2 |
/ |
/ |
|
|
MTR3R8N08TL |
TOLL |
N |
80 |
±20 |
160 |
2 |
4 |
2.7 |
3.8 |
/ |
/ |
|
|
MTR4R6N08TL |
TOLL |
N |
80 |
±20 |
120 |
2 |
4 |
3.6 |
4.6 |
/ |
/ |
|
|
MTR005N08CTB |
TO-263 |
N |
85 |
±20 |
140 |
2 |
4 |
4.2 |
5 |
/ |
/ |
|
|
MTR135N10S23 |
SOT-23 |
N |
100 |
±20 |
3 |
1.2 |
2.5 |
105 |
135 |
135 |
174 |
|
|
MTR025N10D33 |
PDFN3*3 |
N |
100 |
±20 |
25 |
1.2 |
2.5 |
19 |
23 |
26 |
33 |
|
|
MTR4R5N10SD |
PDFN5*6 |
N |
100 |
±20 |
136 |
2 |
4 |
4 |
4.5 |
/ |
/ |
|
|
MTR4R6N10SD |
PDFN5*6 |
N |
100 |
±20 |
120 |
1.2 |
2.5 |
3.6 |
4.5 |
5.2 |
6.7 |
|
|
MTR005N10SD |
PDFN5*6 |
N |
100 |
±20 |
85 |
1.5 |
2.5 |
4.5 |
5 |
7.5 |
9 |
|
|
MTR5R2N10SD |
PDFN5*6 |
N |
100 |
±20 |
115 |
1.2 |
2.5 |
4.3 |
5.2 |
/ |
/ |
|
|
MTR7R1N10SD |
PDFN5*6 |
N |
100 |
±20 |
100 |
1.2 |
2.5 |
6.1 |
7.2 |
/ |
/ |
|
|
MTR7R2N10SD |
PDFN5*6 |
N |
100 |
±20 |
65 |
1.2 |
2.5 |
6 |
7.2 |
8.8 |
11.2 |
|
|
MTR7R7N10SD |
PDFN5*6 |
N |
100 |
±20 |
80 |
2.3 |
3.8 |
6.7 |
7.7 |
/ |
/ |
|
|
MTR7R8N10SD |
PDFN5*6 |
N |
100 |
±20 |
85 |
1.2 |
2.2 |
6 |
7.8 |
/ |
/ |
|
|
MTR9R2N10SD |
PDFN5*6 |
N |
100 |
±20 |
62 |
1 |
2.5 |
7.2 |
9.2 |
10.8 |
14 |
|
|
MTR9R5N10SD |
PDFN5*6 |
N |
100 |
±20 |
62 |
1 |
3 |
7.8 |
9.5 |
11.2 |
15 |
|
|
MTR7R2N10D |
TO-252 |
N |
100 |
±20 |
100 |
1.2 |
2.5 |
6.1 |
7.2 |
/ |
/ |
|
|
MTR7R8N10D |
TO-252 |
N |
100 |
±20 |
80 |
2 |
4 |
6.7 |
7.8 |
/ |
/ |
|
|
MTR8R2N10D |
TO-252 |
N |
100 |
±20 |
82 |
1.2 |
2.5 |
6.7 |
8.2 |
8.5 |
11 |
|
|
MTR010N10D |
TO-252 |
N |
100 |
±20 |
60 |
2 |
4 |
10 |
12 |
/ |
/ |
|
|
MTR017N10D |
TO-252 |
N |
100 |
±20 |
40 |
1.2 |
2.5 |
14 |
17 |
18 |
23 |
|
|
MTR130N10D |
TO-252 |
N |
100 |
±20 |
10 |
1.2 |
2.5 |
110 |
130 |
140 |
160 |
|
|
MTR9R2N10D |
TO-252 |
N |
100 |
±20 |
62 |
1 |
2.5 |
7.2 |
9.2 |
10.8 |
14 |
|
|
MTR003N10CT |
TO-220CB |
N |
100 |
±20 |
160 |
2 |
4 |
2.3 |
3 |
/ |
/ |
|
|
MTR4R5N10CT |
TO-220CB |
N |
100 |
±20 |
160 |
2 |
4 |
3.5 |
4.5 |
/ |
/ |
|
|
MTR5R5N10CT |
TO-220CB |
N |
100 |
±20 |
130 |
2 |
4 |
4.8 |
5.5 |
/ |
/ |
|
|
MTR006N10CT |
TO-220CB |
N |
100 |
±20 |
120 |
2 |
4 |
5.2 |
6 |
/ |
/ |
|
|
MTR010N10CT |
TO-220CB |
N |
100 |
±20 |
76 |
1 |
2.5 |
8.8 |
10 |
12 |
14 |
|
|
MTR10R5N10CT |
TO-220CB |
N |
100 |
±20 |
60 |
2 |
4 |
9.5 |
10.5 |
/ |
/ |
|
|
MTR009N10CTF |
TO-220F |
N |
100 |
±20 |
73 |
1.4 |
2.4 |
6.5 |
9 |
/ |
/ |
|
|
MTR2R7N10CTB |
TO-263 |
N |
100 |
±20 |
160 |
2 |
4 |
2.1 |
2.7 |
/ |
/ |
|
|
MTR3R5N10CTB |
TO-263 |
N |
100 |
±20 |
160 |
2.4 |
3.6 |
2.8 |
3.5 |
/ |
/ |
|
|
MTR4R2N10CTB |
TO-263 |
N |
100 |
±20 |
160 |
2 |
4 |
3.3 |
4.2 |
/ |
/ |
|
|
MTR5R3N10CTB |
TO-263 |
N |
100 |
±20 |
130 |
2 |
4 |
4.7 |
5.3 |
/ |
/ |
|
|
MTR006N10CTB |
TO-263 |
N |
100 |
±20 |
120 |
2 |
4 |
5.1 |
6 |
/ |
/ |
|
|
MTR7R2N10CTB |
TO-263 |
N |
100 |
±20 |
80 |
2 |
4 |
6.4 |
7.2 |
/ |
/ |
|
|
MTR3R7N10CTG |
TO-263-7 |
N |
100 |
±20 |
200 |
2 |
4 |
3.1 |
3.7 |
/ |
/ |
|
|
MTR1R8N10TL |
TOLL |
N |
100 |
±20 |
320 |
2 |
4 |
1.55 |
1.8 |
/ |
/ |
|
|
MTR2R2N10TL |
TOLL |
N |
100 |
±20 |
320 |
2 |
4 |
1.6 |
2.2 |
/ |
/ |
|
|
MTR3R7N10TL |
TOLL |
N |
100 |
±20 |
200 |
2 |
4 |
3.1 |
3.7 |
/ |
/ |
|
|
MTR4R5N10PT |
TO-247 |
N |
100 |
±20 |
200 |
2 |
4 |
3.2 |
4.5 |
/ |
/ |
|
|
MTR013N12SD |
PDFN5*6 |
N |
120 |
±20 |
68 |
1.2 |
2.5 |
10 |
13 |
/ |
/ |
|
|
MTR10R5N15SD |
PDFN5*6 |
N |
150 |
±20 |
90 |
2 |
4 |
8.9 |
10.5 |
/ |
/ |
|
|
MTR007N15CTB |
TO-263 |
N |
150 |
±20 |
140 |
2.5 |
4.5 |
5.8 |
7 |
/ |
/ |
|
|
MTR7R5N15CTB |
TO-263 |
N |
150 |
±20 |
140 |
2 |
4 |
6.5 |
7.5 |
/ |
/ |
|
|
MTR007N15CT |
TO-220CB |
N |
150 |
±20 |
140 |
2.5 |
4.5 |
5.8 |
7 |
/ |
/ |
|
|
MTR7R5N15CT |
TO-220CB |
N |
150 |
±20 |
140 |
2 |
4 |
6.5 |
7.5 |
/ |
/ |
|
|
MTR10R5N15CT |
TO-220CB |
N |
150 |
±20 |
120 |
2 |
4 |
8.9 |
10.5 |
/ |
/ |


Authorized Dealer















